Description
ZWO CAA-M42 Adapter Plate for ZWO Camera Angle Adjuster
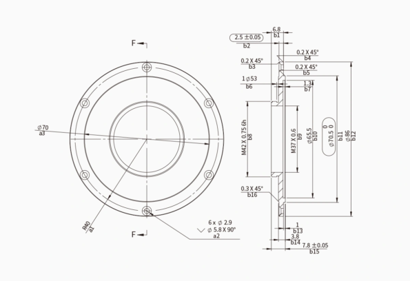
The ZWO CAA-M42 Adapter Plate is a dedicated accessory designed for use with the ZWO Camera Angle Adjuster (CAA). It replaces the original camera adapter and provides a secure M42-thread connection, allowing you to attach cameras or accessories with an M42 interface. Simple to install and built for a precise fit, this adapter ensures a stable and reliable link between your imaging train and the CAA, making it a practical upgrade for astrophotographers who want maximum flexibility in their setup.
Specifications
- Compatibility: ZWO Camera Angle Adjuster (CAA)
- Thread: M42 (male)
- Installation: Screws directly onto the CAA in place of the original adapter
CAA-M42 Adapter structural dimension diagram
Easy Installation
Switching to the M42 adapter plate is quick and simple:
- Use the included hex wrench from your ZWO CAA to remove the six screws holding the stock plate.
- Replace it with the M42 adapter plate, align the holes, and re-secure with the screws.
- Your CAA is now ready for M42 connections.





0.0 Average Rating Rated (0 Reviews)